Wiznet makers

lawrence

Published February 19, 2026 ©

124 UCC

9 WCC

31 VAR

0 Contests

0 Followers

0 Following

Original Link

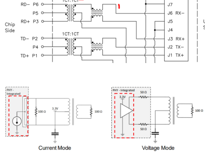
W5500 100Mbps 이더넷 칩셋 설계 [출처] W5500 100Mbps 이더넷 칩셋 설계 -1-

W5500 100Mbps 이더넷 칩셋 설계 [출처] W5500 100Mbps 이더넷 칩셋 설계 -1-

COMPONENTS
PROJECT DESCRIPTION
Documents
Comments Write