W5500 mode
W5500 mode
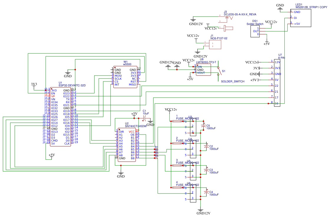
EasyEDA(OSHWLAB)에 올라온 ‘W5500 mode’라는 회로 모듈의 공개 도면
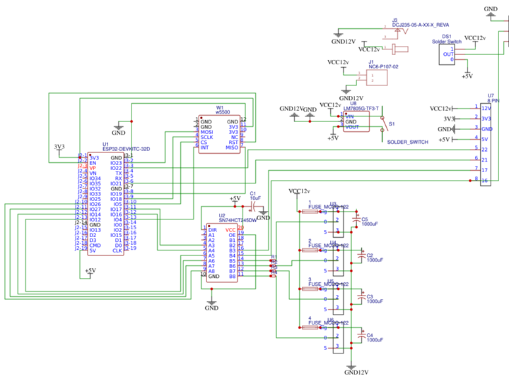
(ESP32 + W5500 + 전원/출력단이 한 보드에 올라간 “네트워크 제어용 보드 회로도”)
가운데: ESP32-DEVKITC-32D (U1)
그 위: W5500 이더넷 컨트롤러 (W1)
아래: SN74HCT245 버스 드라이버/레벨 시프터 (U2)
오른쪽: 12V → 5V 전원부(U8) + 12V 분배 회로(퓨즈 4개, 큰 전해콘덴서 4개) + LED 스트립 커넥터(U7, LED1: WS2812B 스트립)
즉, 12V 전원 하나 넣으면
→ 5V, 3.3V, 12V가 각각 생성/분배되고
→ ESP32 + W5500이 네트워크에 붙어서
→ LED 스트립이나 12V 부하들을 제어할 수 있는 구조
ESP32-DEVKITC-32D (U1)
보드 왼쪽에 ESP32-DevKitC 핀들이 모두 표시되어 있습니다. (3V3, GND, IO핀들 등)
이 핀들 여러 개가 W5500, SN74HCT245, 전원/출력단으로 연결되어 있어요.
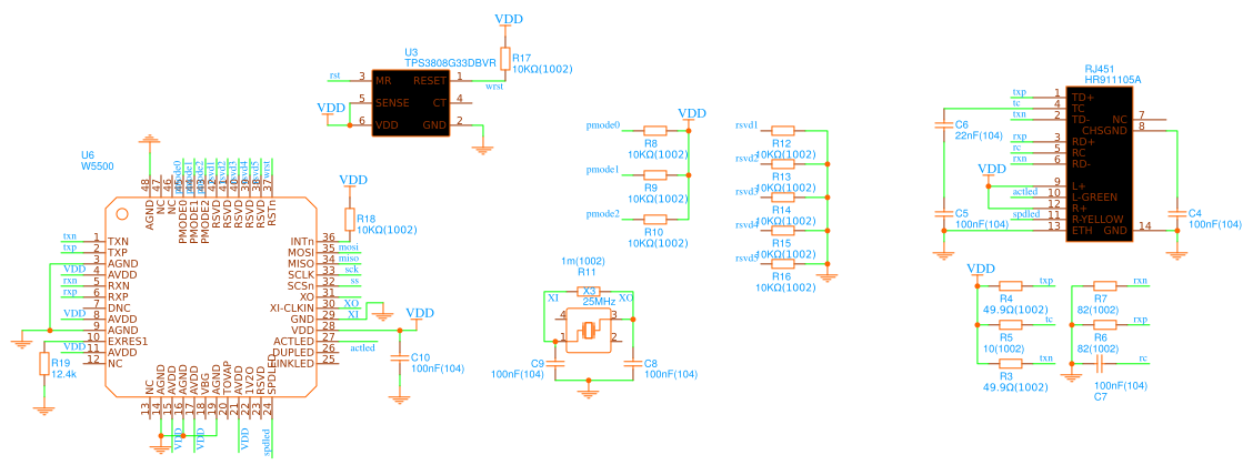
W5500 이더넷 컨트롤러 (W1)
중앙 상단에 W5500 칩 심볼이 있고, 다음 핀들이 연결됨:
MOSI, MISO, SCLK, CS, RST, INT 등 SPI + 제어핀
전원은 3V3, GND로 들어감
즉, ESP32가 SPI로 W5500을 제어해서 유선 이더넷 통신을 하는 구조입니다.
결국, 이 회로도는
ESP32 + W5500 + 12V/5V 전원 + LED/부하 제어가 통합된 회로도(모듈 디자인)를 공개한 페이지
EASYEDA.com 은 무슨 사이트?
중국 선전에 본사를 둔 회로도를 웹서비스하는 글로벌 기반 중국 회사이다.
창립자: Dillon이라는 인물이 2011년에 설립
운영 주체: EasyEDA는 현재 JLC Group 산하에 있으며, 이는 세계적인 PCB 제조 서비스 업체인 JLCPCB와 전자 부품 공급업체인 LCSC와 같은 그룹에 속해 있습니다.
사이트 운영 목적 : 전자 제품 개발 과정 전체를 통합하여 쉽고 저렴하게 만드는 것
| 목적 | 상세 내용 |
| 무료 EDA 도구 제공 | 고가의 전문 소프트웨어 대신 무료로 회로도 설계, 시뮬레이션, PCB 레이아웃을 할 수 있는 웹 기반 도구를 제공 |
| 제조 연계 및 수익 창출 | 사용자가 EasyEDA에서 설계를 마친 후, 같은 계열사인 JLCPCB를 통해 PCB 제작을 쉽게 주문하고 LCSC를 통해 부품을 구매하도록 유도 이것이 주된 수익 모델 |
| 협업 및 공유 | 전자 엔지니어, 학생, 메이커들이 프로젝트를 쉽게 공유하고 협업할 수 있는 클라우드 기반 환경을 제공 |
EASYEDA.com site UCC in Maker site
| userCD | idx | year | view | project name | cateidx | author_name | author_oriLinkUrl | author_email |
| WIZnet | 15135 | 2023 | 100 | W5500 Ethernet Shield copy | 1 | Daniel_kim | https://easyeda.com/Daniel_kim/W5500_Ethernet_Shield-vdNLJ4qoK | None |
| won | 20046 | 2022 | 188 | OnStep Daughter FYSETC S6 V1.4 | 0 | won | https://easyeda.com/rcpilotjohn/3d-printer-daughter-t4-1-v1-0_copy_copy | won@wiznet.io |
| gunn | 22439 | 2025 | 2 | W5500 mode | 0 | Dillon | https://easyeda.com/modules/W5500-mode_89b75aa7d71c4e9eb450948282dcb7f6 | NONE |
OSHWLAB 와 EASYEDA.com 과의 관계는?
EasyEDA.com과 OSHWLAB은 매우 밀접하게 통합된 관계이며, 사실상 하나의 통합된 플랫폼을 구성합니다.
OSHWLAB은 EasyEDA에서 설계된 오픈 소스 하드웨어(Open Source Hardware) 프로젝트를 공유하고 커뮤니티 활동을 하는 플랫폼입니다.
1. 🎨 EasyEDA: 설계 도구 (Design Tool)
EasyEDA는 사용자들이 웹 기반에서 전자 회로를 설계하고 PCB를 레이아웃하는 EDA(Electronic Design Automation) 도구 자체를 제공합니다.
기능: 회로도 작성, 시뮬레이션, PCB 디자인.
2. 📚 OSHWLAB: 공유 및 커뮤니티 플랫폼 (Sharing & Community)
OSHWLAB (Open Source Hardware Lab)은 EasyEDA의 설계 파일을 기반으로 프로젝트를 공개하고 사용자들과 공유하는 장소입니다.
OSHWLAB site UCC in Maker site
| userCD | idx | year | view | project name | cateidx | author_name | author_oriLinkUrl | author_email |
| teju | 13029 | 2022 | 514 | W5500 Ethernet PoE module | 0 | ToneArtSound | https://oshwlab.com/ToneArtSound/w5500-poe-module_copy | na |
| WIZnet | 14182 | 2023 | 165 | Weather station IOT | 0 | kmastrok | https://oshwlab.com/kmastrok/weather-station-ext | -- |
| WIZnet | 14184 | 2023 | 248 | WemosD1mini_W5500_Shield | 0 | mrv96 | https://oshwlab.com/mrv96/esp8266_enc28j60_shield_copy | -- |
| gavinchang | 15834 | 2023 | 208 | Finik_W5500 | 0 | PavelSafronov | https://oshwlab.com/pavelsafronov/finik_w5500 | nc |
| mason | 21876 | 2025 | 1432 | Outputs ETH module | 1 | tiagogmonteiro | https://oshwlab.com/tiagogmonteiro/outputs-eth-module | none |
| irina | 22005 | 2025 | 126 | MultiSensor: ESP32-S3 + W5500 PoE Smart Home Multi-Sensor Board | 0 | carletz | https://oshwlab.com/carletz.slug/domotic_easy | carletz |
| irina | 22039 | 2025 | 104 | DOMOTIC-MADE-EASY | 0 | carletz.slug | https://oshwlab.com/carletz.slug/domoticarlo | carletz.slug |
| Alan | 22200 | 2025 | 70 | https://oshwlab.com/vanninavari/esp32-w5500-4-rele | 0 | OSHW Labs | https://oshwlab.com/vanninavari/esp32-w5500-4-rele | OSHW Labs |
EASYEDA.com site 내에 더 많은 WIZnet 관련 도면들
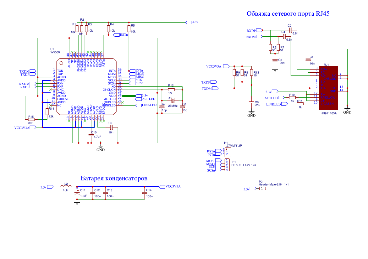
w5500 module schematic
https://easyeda.com/modules/w5500-module-schematic_7c3d9e2f8f474055a351e3afbeef3a66
위 회로도는 “임베디드 시스템 + 이더넷 연결”을 쉽게 구현하기 위한 일종의 ‘W5500 이더넷 확장 보드’ 설계임.
w5500+transformer
https://easyeda.com/modules/w5500-transformer_82f4bc0b8e5b49c58e84b4a0c7e41b10
W5500 모듈 + “트랜스포머 포함 / RJ-45(마그잭)” 회로 (즉, 링크-PHY + 변압기 회로 포함된 Ethernet 인터페이스) 설계도
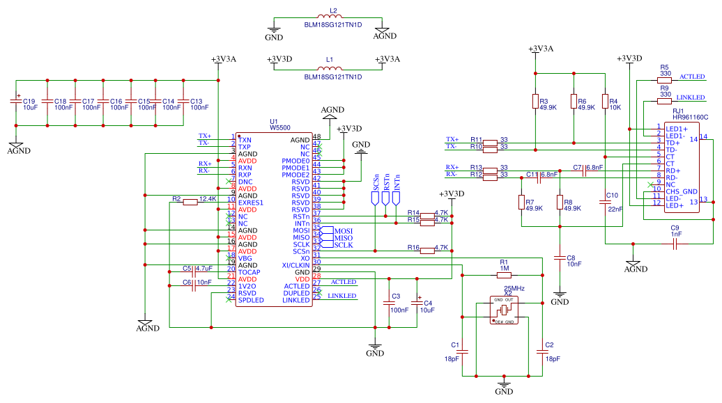
w5500 Module
https://easyeda.com/modules/w5500-Module_e16dff61745a4c85b27b2b6d6aa986c1
W5500을 사용한 완전한 Ethernet 모듈 회로로서,
W5500 + 클록(25MHz)
전원 (3.3V 또는 5→3.3V LDO)
SPI 인터페이스 핀
Ethernet Transformer
RJ45 포트 (MagJack)
링크/액티비티 LED
필터링 네트워크 구성
을 모두 포함한 실제 제품 개발에 바로 쓸 수 있는 레퍼런스 설계
w5500 sch
https://easyeda.com/modules/w5500-sch_e8a0fc0c726a4bce9d6251bd834283a7
“MCU + W5500 + PHY + MagJack + 전원/클럭 포함” — 즉시 이더넷 인터페이스로 쓸 수 있는 모듈형 회로도.
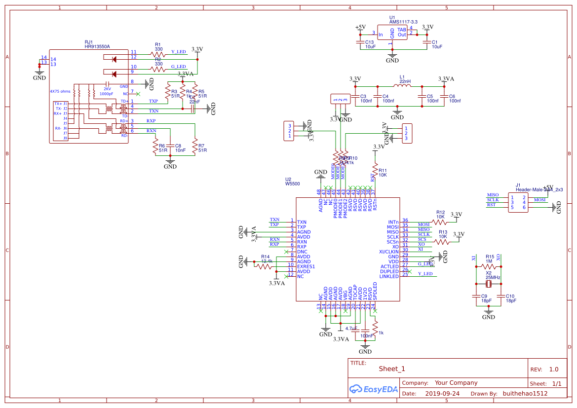
Ethernet_W5500
https://oshwlab.com/buithehao1512/ethernet_w5500
W5500 기반 Ethernet 모듈 회로
이 회로는 다음과 같은 역할을 하는 “완성된 모듈용 회로도”입니다:
W5500 칩을 사용해서
MCU 없이도 (혹은 MCU + 별도 보드 연결)
RJ-45 (Ethernet 케이블) 포트를 통해 10/100 Mbps Ethernet 연결을 제공
내부에 TCP/IP 스택, MAC, PHY 내장 → MCU는 SPI 통신만 하면 네트워크 사용 가능
즉, 이 회로는 “MCU + LAN 포트 + TCP/IP 네트워크 기능”을 갖춘 작은 보드(모듈)를 구현하기 위한 설계입니다.
w5500 module schematic
https://easyeda.com/modules/w5500-module-schematic_7c3d9e2f8f474055a351e3afbeef3a66
w5500+HR911105 (RJ45 커넥터 모듈의 부품 번호)
https://easyeda.com/modules/w5500-HR911105_db56cce432334ed9acbe91081dbf9a25
W5500 Ethernet PoE module
https://oshwlab.com/ToneArtSound/w5500-poe-module_copy

결론: EasyEDA의 WIZnet 회로도 100개 이상은 ‘보물창고’이며, 회사의 발전 성장동력이다.
특히 중국 시장 공략에 핵심 자료가 될 수 있습니다. (3개 이상 작업을 한 사람)
활용 포인트는 다음 5가지
a. R&D 개선 방향 확보 (시장 실제 요구 분석)
b. 영업/마케팅 근거 자료 확보 (100+ global usage)
c. DevRel 활동 강화 (개발자 성공 사례 홍보)
d. 커뮤니티 콘텐츠 제작 (설계 레퍼런스 확대)
e. AI 기반 회로도 분석 시스템 구축 (자동 시장 리포트)

