Publicación: Diseño de un dispositivo de propósito general basado en microcontrolador para prácticas
Publicación: Diseño de un dispositivo de propósito general basado en microcontrolador para prácticas docentes
Spanish Dissertation: Dissertation on the General Basis of Microcontrollers for Practical Training
1. Summary of the Dissertation
This dissertation covers the design and fabrication process of a "general-purpose microcontroller device" designed to facilitate low-cost electronic engineering, industrial automation, and IoT training in universities and educational institutions.
Development Background: Conventional industrial PLCs (Programmable Logic Controllers) are very expensive and have a closed architecture (using proprietary software), which has limited their use in educational settings.
Core Solution: Using the affordable and high-performance ESP32 SoC as the main controller and open-source software (Arduino IDE, OpenPLC), we developed a device that is easy for anyone to learn and modify.
Key Features
Various Input/Output: Supports analog (0-10V) and digital (24V) input/output, enabling connection to real-world industrial sensors and actuators.
Diverse Communications: Supports various wired and wireless communication methods, including Wi-Fi, Bluetooth, Ethernet (W5500), RS-485, UART, SPI, and I2C.
Verification: Using the designed device, we successfully performed practical experiments in an actual laboratory, demonstrating its utility through practical applications such as "traffic light control," "oven temperature control," and "tank charging system."
2. Definition and Role of the W5500
In the paper, the W5500 is the core interface chip used to provide wired Internet connection (Ethernet) functionality to this device.
Definition: This is an Ethernet controller with a built-in hardware TCP/IP stack manufactured by WIZnet.
Main Functions: 1. Network Stack Processing: This significantly reduces the computational load on the main MCU (ESP32) by directly performing complex network protocol processing, such as TCP, UDP, and IPv4, within the on-chip hardware.
2. Stable Wired Communication: Compared to wireless communication (Wi-Fi), it provides low latency and high stability, enabling uninterrupted data transmission during industrial control training.
3. Easy Integration: It connects easily to the ESP32 via the SPI interface, and its dedicated memory (32KB) facilitates processing of large data packets.
4. Low-Power Mode Support: Wake on LAN (WOL) and power-down modes efficiently manage system energy consumption.
In short, the W5500 acts as a "communication gateway" that enables this educational device to transcend simple embedded devices and function as a smart industrial device capable of remote control and data monitoring, directly connected to the Internet.
===========================
스페인어 학위 논문: Diseño de un dispositivo de propósito general basado en microcontrolador para prácticas docentes
1. 논문 내용 요약
이 논문은 대학 및 교육 기관에서 전자 공학, 산업 자동화, IoT 실습을 저렴한 비용으로 수행할 수 있도록 설계된 '범용 마이크로컨트롤러 장치'의 설계와 제작 과정을 다루고 있습니다.
개발 배경: 기존의 산업용 PLC(프로그램 가능 로직 컨트롤러)는 가격이 매우 비싸고 폐쇄적인 구조(독자 소프트웨어 사용)를 가지고 있어 교육용으로 활용하기에 제약이 많았습니다.
핵심 솔루션: 가격이 저렴하고 성능이 뛰어난 ESP32 SoC를 메인 제어기로 채택하고, 오픈 소스 소프트웨어(Arduino IDE, OpenPLC)를 활용하여 누구나 쉽게 배우고 수정할 수 있는 장치를 개발했습니다.
주요 기능
다양한 입출력: 아날로그(0-10V) 및 디지털(24V) 입출력을 지원하여 실제 산업용 센서 및 액추에이터와 연결 가능합니다.
다양한 통신: Wi-Fi, Bluetooth뿐만 아니라 이더넷(W5500), RS-485, UART, SPI, I2C 등 다양한 유무선 통신 방식을 지원합니다.
검증: 설계한 장치를 사용하여 실제 실험실에서 '신호등 제어', '오븐 온도 제어', '탱크 충전 시스템' 등의 실습을 성공적으로 수행하여 그 효용성을 입증했습니다.
2. W5500의 정의 및 역할
논문에서 W5500은 이 장치에 유선 인터넷 연결 기능(Ethernet)을 부여하기 위해 사용된 핵심 인터페이스 칩입니다.
정의: 위즈네트(WIZnet)에서 제작한 하드웨어 TCP/IP 스택 내장 이더넷 컨트롤러입니다.
주요 역할
1. 네트워크 스택 처리: TCP, UDP, IPv4 등 복잡한 네트워크 프로토콜 처리를 칩 내부 하드웨어에서 직접 수행하여, 메인 MCU(ESP32)의 계산 부하를 크게 줄여줍니다.
2. 안정적인 유선 통신: 무선 통신(Wi-Fi)에 비해 낮은 지연 시간(Latency)과 높은 안정성을 제공하여 산업용 제어 실습 시 끊김 없는 데이터 전송을 가능하게 합니다.
3. 손쉬운 통합: SPI 인터페이스를 통해 ESP32와 간편하게 연결되며, 전용 메모리(32KB)를 갖추고 있어 대용량 데이터 패킷 처리에도 유리합니다.
4. 저전력 모드 지원: Wake on LAN(WOL) 및 전원 차단 모드를 통해 시스템의 에너지 소비를 효율적으로 관리합니다.
요약하자면, W5500은 이 교육용 장치가 단순한 임베디드 기기를 넘어, 인터넷에 직접 연결되어 원격 제어나 데이터 모니터링이 가능한 스마트 산업 장치로 기능할 수 있게 해주는 '통신 관문' 역할을 합니다.
이 논문은 125페이지 논문인데, W5500 이 54번 언급됩니다.
[abstract]
본 프로젝트는 대학 과정, 직업 훈련 프로그램 또는 고등학교 교과목에서 전자공학, 산업 자동화, 계측 또는 IoT 분야의 교육 실습을 수행할 수 있는 범용 마이크로컨트롤러 기반 장치의 연구 및 설계에 중점을 둡니다.
Wi-Fi, Bluetooth, Ethernet, RS-485, UART, I2C 및 SPI와 같은 다양한 통신 기술을 지원합니다.
C/C++ 과 프로그래밍 가능 로직 컨트롤러(PLC) 언어로 프로그래밍.
이 장치는 오픈 소스이며 저렴해야 합니다.
뛰어난 다용성과 저렴한 가격을 고려하여 ESP32 SoC가 최종적으로 선택되었습니다.
또한, W5500 집적 회로는 이더넷 통신에 사용되었고, ADS1115는 ESP32에 내장된 ADC보다 높은 해상도를 제공하는 아날로그-디지털 변환기(ADC)로 선택되었습니다.
이어서 인쇄 회로 기판(PCB)을 설계하고 최종 장치의 3D 이미지를 생성했습니다.
그런 다음 입력 및 출력 회로를 브레드보드에 조립하고 작동을 확인한 후 동일한 회로를 천공 기판에 제작했습니다.
산업 자동화 실습 가이드를 제작하고, 광커플러 모듈, ESP32 보드 및 OpenPLC 소프트웨어를 사용하여 연구실에서 해당 가이드에 따라 실습을 진행했습니다.
마지막으로, 이더넷, Wi-Fi 및 블루투스를 통해 통신 테스트를 수행했습니다.
중국의 USR 이라는 업체가 만든 네트워크 모듈을 사용했습니다.
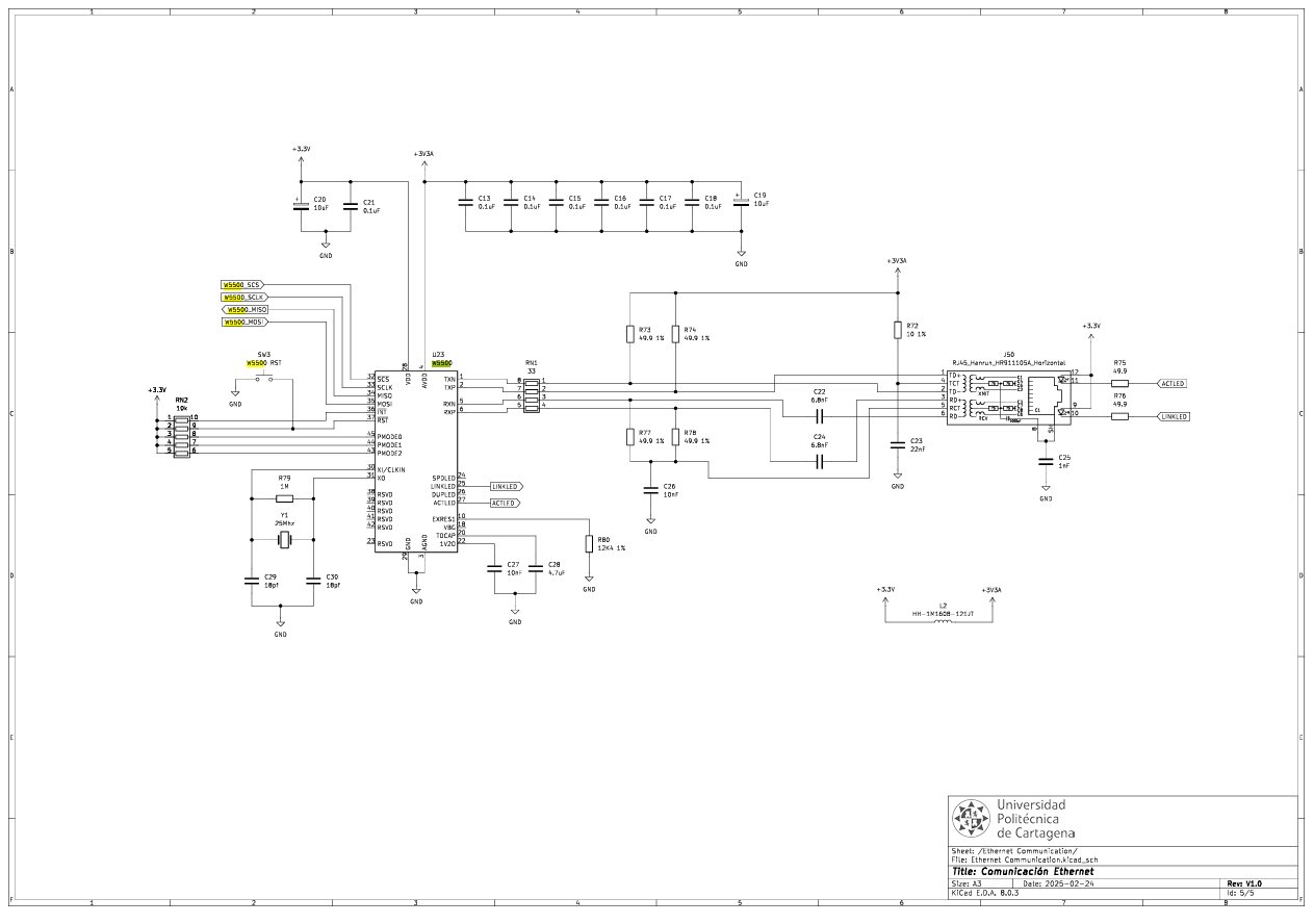
이더넷 통신 회로는 메인 컨트롤러인 ESP32와 이더넷 컨트롤러인 W5500 사이의 인터페이스를 중심으로 설계되었습니다.
1. 메인 컨트롤러(ESP32)와의 연결: SPI 인터페이스
W5500은 ESP32와 SPI(Serial Peripheral Interface) 프로토콜을 통해 데이터를 주고받습니다. 회로도 상에서 확인되는 주요 핀 연결은 다음과 같습니다:
MISO / MOSI / SCLK: 고속 데이터 전송을 위한 직렬 통신 라인입니다.
SCS (Slave Chip Select): ESP32가 W5500을 활성화하여 통신을 시작할 때 사용하는 신호입니다.
INT (Interrupt): W5500이 수신한 데이터가 있음을 ESP32에 알릴 때 사용하여 효율적인 처리를 돕습니다.
RST (Reset): 시스템 시작 시 W5500을 초기화하는 데 사용됩니다.
2. 물리적 네트워크 연결: MagJack (RJ45)
W5500의 반대편은 변압기가 내장된 RJ45 커넥터(MagJack)와 연결됩니다.
PHY 처리: W5500 내부에는 PHY(물리 계층)가 내장되어 있어, 전기적 신호를 직접 처리합니다.
상태 표시 LED: 회로에는 통신 연결 상태(Link)와 데이터 송수신 상태(Active)를 나타내는 LED가 연결되어 사용자에게 네트워크 상태를 시각적으로 보여줍니다.
3. W5500의 핵심 역할 (Off-load Engine)
회로도 상에서 W5500이 중간에 위치함으로써 수행하는 가장 큰 역할은 전담 통신 프로세서로서의 기능입니다.
하드웨어 TCP/IP 스택: TCP, UDP, IPv4, ARP 등의 복잡한 네트워크 계산을 칩 내부 하드웨어에서 직접 처리합니다.
ESP32 부하 감소: ESP32가 소프트웨어로 네트워크 프로토콜을 처리할 필요가 없으므로, 메인 프로세서는 센서 제어 및 제어 로직(OpenPLC 등) 처리에만 집중할 수 있게 합니다.
독립적 메모리: 내부적으로 32KB의 버퍼 메모리를 보유하고 있어, ESP32의 메모리 자원을 아끼면서 안정적인 데이터 패킷 처리를 보장합니다.
Ethernet 세팅하는 코드
Ethernet 통신 코드 (86p): W5500 칩을 사용하여 고정 IP를 설정하고, 웹 서버를 열어 클라이언트의 접속을 기다리는 코드입니다. 클라이언트가 접속하면 간단한 HTML 페이지를 전송합니다.
Wi-Fi 통신 코드 (87p): ESP32의 내장 Wi-Fi 기능을 활용하여 서버를 구축하는 코드입니다. 시리얼 모니터를 통해 할당된 IP 주소를 확인할 수 있습니다.
Bluetooth 통신 코드 (88p): 'BluetoothSerial.h' 라이브러리를 사용하여 스마트폰 등과 데이터를 주고받는 '에코(Echo)' 테스트 코드입니다. 수신된 문자를 그대로 다시 전송하여 연결 상태를 확인합니다.

