Calculating Battery Life Using the µA-Level Current Measurement Tool NRF-PPK2
Calculating Battery Life Using the µA-Level Current Measurement Tool NRF-PPK2
Battery Life Calculator: Precision IoT System Design with NRF-PPK2
Project Overview: Why Precision Current Measurement Matters
For IoT sensor systems deployed in the field, especially in hard-to-reach environments like underwater pressure sensors, the critical question is: "How long will the battery last?" Traditional rule-of-thumb calculations fall short because:
- Actual current consumption ≠ Datasheet specifications
- Sleep mode leakage currents are overlooked
- Wake-up peak currents are missed
NRF-PPK2 (Power Profiler Kit 2) is Nordic Semiconductor's current measurement tool that measures from nA (nano-ampere) to over 1A in real-time and automatically calculates charge consumption (mC).
System Architecture: Underwater Pressure Sensor + LoRa + MQTT Gateway
Overall System Design
[Underwater Environment]
│
▼
────────────┐
│ Underwater Module │
│ ────────── │
│ • ATmega328P (→88) │
│ • MS5837 Pressure │
│ • RS485 TX │
│ • Battery: 3xAA │
└────┬──────┘
│ RS485
▼
┌──────────┐
│ LoRa TX Module │
│ ──────── │
│ • ATmega324PA │
│ • MS5837 (Barometer)│
│ • LoRa 930MHz, 10mW │
│ • TPL5110 Timer │
│ • Battery: 12xAA │
└────┬──────┘
│ LoRa (Wireless)
▼
┌────────────┐
│ Control Room Gateway │
│ ────────── │
│ • ESP32 (ESP-NOW) │
│ • W5500 (Ethernet) │
│ • LoRa RX │
│ • MQTT Broker Link │
└────────────┘
Operation Cycle:
- TPL5110 timer wakes system every 6min 15sec (standby: tens of nA)
- LoRa module powers on underwater module
- Underwater module measures pressure/temp → RS485 transmission
- LoRa module measures barometric pressure + integrates data → LoRa TX
- Immediately enters sleep mode
ESP32 + W5500 MQTT Gateway Board
The developer designed a custom slot card expansion board for stable IoT gateway operation.
Hardware Configuration
Design Features
1. Power Management Improvement
- Initial: 12V direct supply → 7805 overheating
- Improved: DC-DC step-down to 8V then 7805 → minimal heat
2. W5500 Heat Mitigation
- Problem: 2x W5500 on single AMS1117-3.3V → 60°C
- Solution: Added 9×9×12mm aluminum heatsinks
3. Firmware Update Simplification
Rear header on slot card:
[GND] [VCC] [TX] [RX]
↓
Connect FT232RL USB-Serial
↓
Hold Prog button → Press Reset → Programming mode4. Expandability
- Standalone use: External W5500 via slot pins
- LoRa module: E-byte LoRa mountable on each card
- M0, M1 pins: Tied to GND (pre-configuration required)
- Aux pin: For transmission feedback (5sec timeout without)
Measurement Results Analysis
1. Wake-up Cycle Charge Consumption
Measured Values:
Window Selection: Wake-up period only (~2 seconds)
Total Charge: 19.02 mC (milli-coulombs)
Window Selection: Full cycle (6min 15sec)
Total Charge: 19.02 mC (same!)Meaning: Negligible charge consumption during sleep (thanks to TPL5110's tens-of-nA standby)
2. Sleep Mode Average Current
Average Current: 0.17 µA (micro-ampere)Comparison:
- ESP32 Deep Sleep: ~10 µA
- ATmega328P Power-down: ~0.1 µA
- TPL5110 Standby: Tens of nA
→ This system's sleep current is nearly perfect
Battery Life Calculation
Formulas
1. Average Current:
I_avg = Q_cycle / T_cycle
2. Battery Life:
T_survive = C_bat / I_avgActual Calculation
Input Values:
Q_cycle = 19.02 mC (charge per cycle)
T_cycle = 6min 15sec = 375 seconds
C_bat = 1,300 mAh × 4 banks = 5,200 mAhChatGPT Result:
Step 1: Average Current
I_avg = 19.02 mC / 375 sec
= 0.0507 mC/s
= 0.0507 mA
= 50.7 µA
Step 2: Battery Lifetime
T_survive = 5,200 mAh / 0.0507 mA
= 102,564 hours
= 4,273 days
= 11.7 yearsConclusion: 12x AA batteries (4 banks) enable approximately 11.7 years of operation!
Practical Tips: Using NRF-PPK2
1. Measurement Mode Selection
Source Meter Mode (Power Supply + Measurement)
- Voltage range: 0.8V ~ 5V
- Max current: 1A
- Advantage: No external battery needed
Ampere Meter Mode (Measurement Only)
- External battery required
- Voltage range: 0.8V ~ 5.5V
- Advantage: Reflects actual battery characteristics
2. Window Setup (Charge Calculation)
PPK2 Software:
1. Start data collection
2. Mouse drag to select measurement range
3. Auto-calculation:
- Average Current
- Max Current
- Total Charge (mC)3. Important Considerations
Voltage Drop Check:
- Initial battery voltage vs end-of-life voltage
- Verify system minimum operating voltage
Environmental Variables:
- Temperature: Battery capacity varies (drops sharply below 0°C)
- Aging: Consider 20% capacity reduction in real operation
Circuit Design Reference
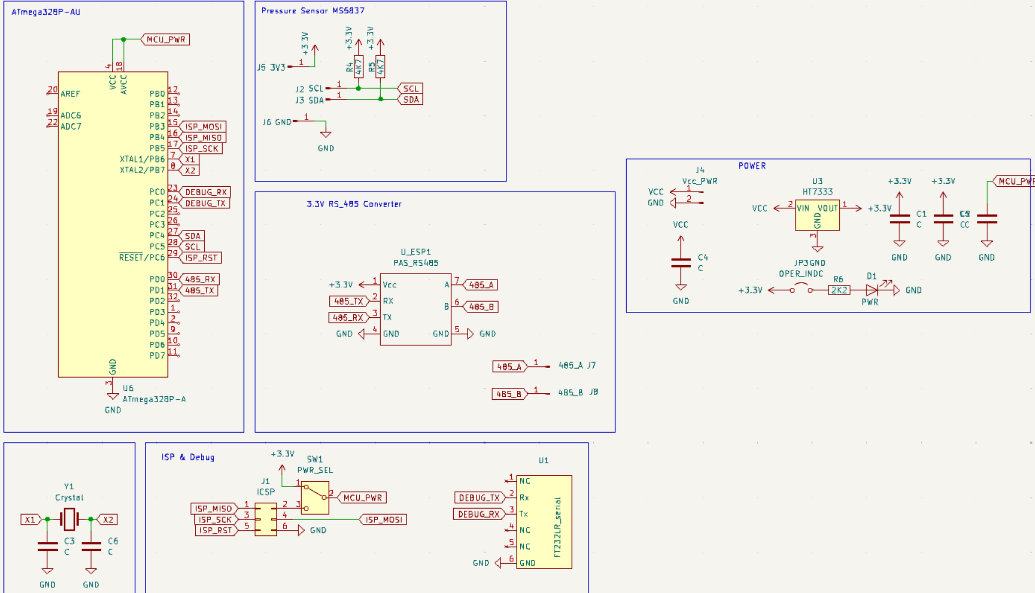
Underwater Measurement Module
ATmega328P (→ Switching to ATmega88)
│
├─ I2C → MS5837 (Pressure/Temperature)
├─ UART → RS485 Transceiver (MAX485)
└─ Power → 3xAA Series
Critical: Epoxy molding inside PVC pipe required!LoRa Transmission Module
ATmega324PA (2x Hardware UART)
│
├─ I2C → MS5837 (Barometric pressure)
├─ UART1 → RS485 RX (underwater module)
├─ UART2 → LoRa Module (E-byte E32)
└─ EN → TPL5110 Done Pin
TPL5110 (Timer)
│
├─ DRV → System Power MOSFET Gate
├─ DELAY → Resistor sets period (6min 15sec)
└─ DONE ← ATmega completion signalFinal System Specifications
Power Consumption:
- Wake-up: 19.02 mC (2 seconds)
- Sleep: 0.17 µA
- Average: 50.7 µA
Battery Life:
- 12xAA (5,200mAh): 11.7 years
- 18xAA (7,800mAh): 17.5 years
Communication Range:
- LoRa 930MHz: ~1-3km (with obstacles)
- MQTT via Ethernet: Unlimited (with internet)
