PoE Test board production record - Let's test various modules
I made a board to test PoE with W5100S + Pico board.
Story
Hello.I'm making a PoE Test board now.
In general cases, it is recommended to purchase and use PoE (Power over Ethernet) modules as there are many affordable and good-quality options available in the market.
So, I have created a board that allows me to test the PoE module by attaching it to the W5100S.

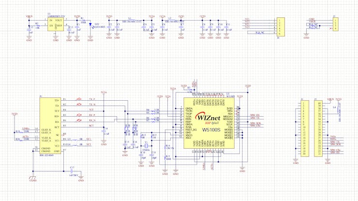
The circuit is configured as shown above.

It was challenging because the RJ-45 connector was different, and the header turned out to be larger than expected.


Now it's time to assemble it!


That's great to hear! It's good to confirm that the power is being supplied well.
Issue
The problem is that the board's appearance is unattractive. After connecting everything, it looks very unusual.
I will raise the Raspberry Pi Pico board up and move the PoE module down.



These modules are completely different in price and characteristics. Therefore, you can test these modules with this test board to select a good module.

Next time I'll post with a better form of module!
Thanks


